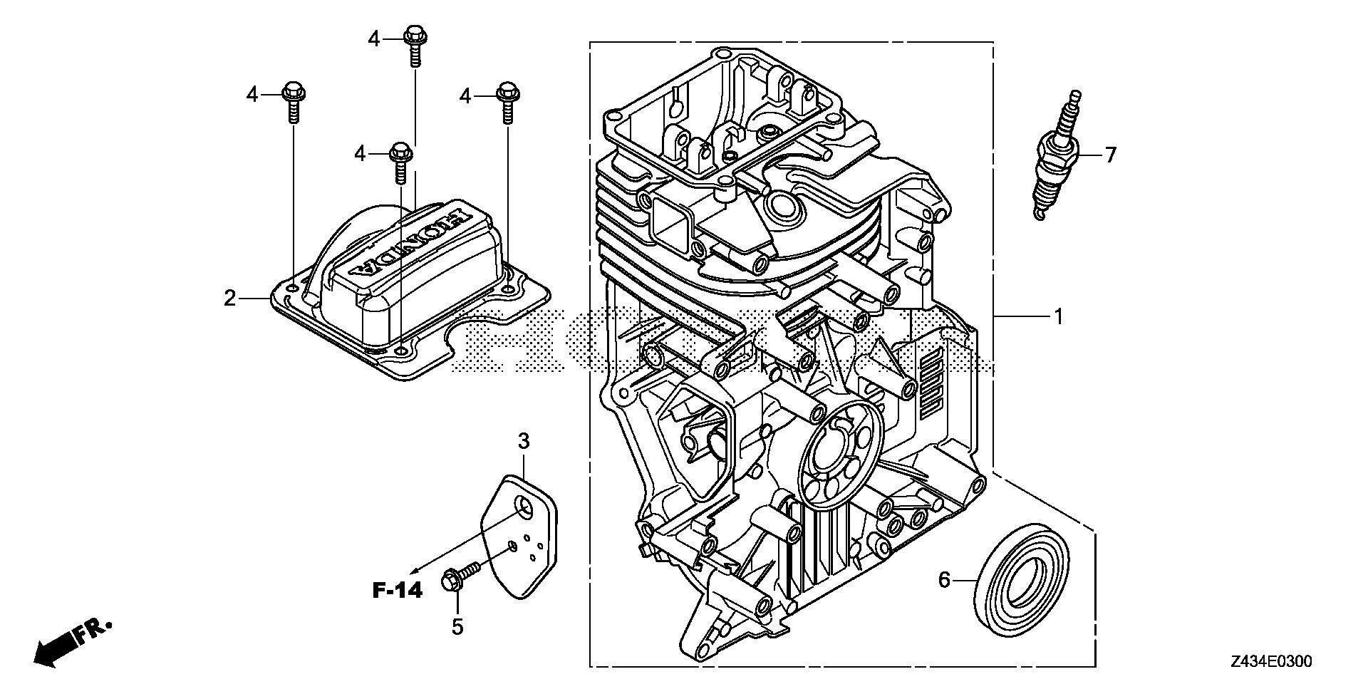
Generators EG EG2800 EG2800I AG EABA-2036223-9999999 CYLINDER - Suburban Lawn & Equipment, Inc.

Ref No
Part Number
Description
Serial Range
Qty
Price

Ref No
1
Part Number
12000-Z8C-D00
Description
CYLINDER ASSY. (VALVES AND SPRINGS PRE-INSTALLED)
Serial Range
1000001 - 9999999
Qty
Price
$55.47

Ref No
2
Part Number
12310-Z8A-000
Description
COVER, CYLINDER HEAD
Serial Range
1000001 - 9999999
Qty
Price
$35.78

Ref No
3
Part Number
12355-ZL8-000
Description
COVER, BREATHER (BREATHER VALVE ASSY.)
Serial Range
1000001 - 9999999
Qty
Price
$18.90

Ref No
4
Part Number
90013-883-000
Description
BOLT, FLANGE (6X12) (CT200)
Serial Range
1000001 - 9999999

Ref No
5
Part Number
90014-952-000
Description
BOLT, FLANGE (6X14) (CT200)
Serial Range
1000001 - 9999999
Qty
Price
$12.86

Ref No
6
Part Number
91201-Z0Y-003
Description
OIL SEAL (25.4X62X6) (ARAI)
Serial Range
1000001 - 9999999
Qty
Price
$13.84

Ref No
7
Part Number
98079-55846
Description
SPARK PLUG (BPR5ES) (NGK)
Serial Range
1000001 - 9999999
Qty
Price
$12.98

Ref No
7
Part Number
98079-56846
Description
SPARK PLUG (BPR6ES) (NGK)
Serial Range
1000001 - 9999999
Qty
Price
$12.98