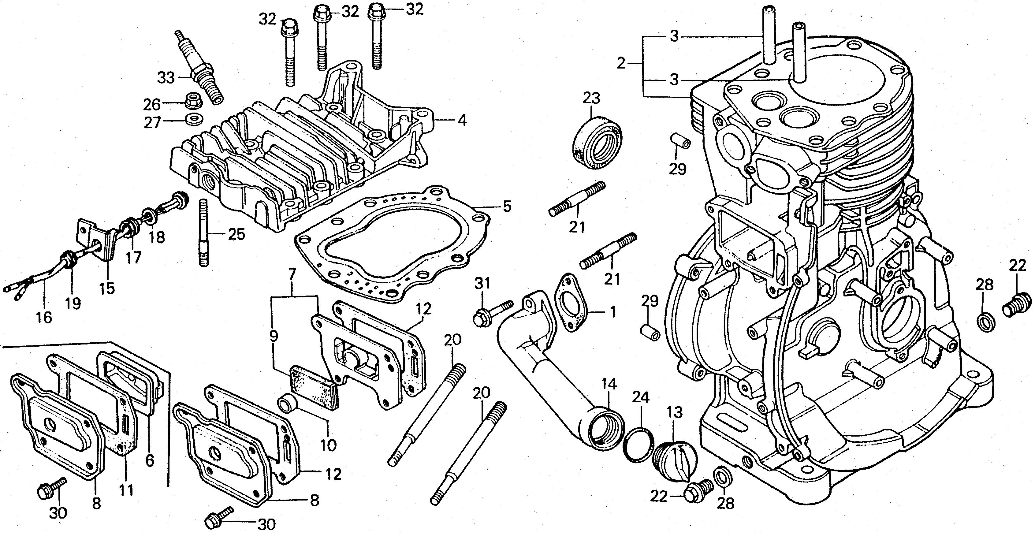
Ref No
Part Number
Description
Serial Range
Qty
Price
Ref No 1
Part Number 11211-822-000
Description GASKET, OIL PAN HOLE COVER (NOT AVAILABLE)
Serial Range 1000001 - 9999999
Ref No 2
Part Number 12100-890-335
Description CYLINDER (CRANKSHAFT P.T.O.) (NOT AVAILABLE)
Serial Range 1095398 - 9999999
Ref No 2
Part Number 121A0-890-040
Description CYLINDER (CRANKSHAFT P.T.O.)
Serial Range 1350780 - 9999999
Ref No 3
Part Number 12134-890-305
Description GUIDE, VALVE
Serial Range 1350780 - 9999999
Qty
Price $19.16
Add To Cart
Ref No 4
Part Number 12221-890-731
Description CYLINDER HEAD (NOT AVAILABLE)
Serial Range 1000001 - 9999999
Ref No 5
Part Number 12281-890-010
Description GASKET, CYLINDER HEAD (NOT AVAILABLE)
Serial Range 1000001 - 9999999
Ref No 6
Part Number 12360-889-010
Description CASE, BREATHER
Serial Range 1000001 - 9999999
Ref No 7
Part Number 12360-890-000
Description CASE, BREATHER
Serial Range 1213315 - 9999999
Qty
Price $24.94
Add To Cart
Ref No 8
Part Number 12361-890-000
Description COVER, TAPPET ROOM (NOT AVAILABLE)
Serial Range 1213315 - 9999999
Ref No 9
Part Number 12367-890-003
Description FILTER, BREATHER
Serial Range 1213315 - 9999999
Ref No 10
Part Number 12369-883-000
Description SEAL, BREATHER
Serial Range 1213315 - 9999999
Qty
Price $14.14
Add To Cart
Ref No 11
Part Number 12375-ZA1-000
Description GASKET, TAPPET COVER
Serial Range 1213315 - 9999999
Ref No 11
Part Number 12375-ZA1-000
Description GASKET, TAPPET COVER
Serial Range 1213315 - 9999999
Ref No 12
Part Number 12375-ZA1-000
Description GASKET, TAPPET COVER
Serial Range 1213315 - 9999999
Ref No 12
Part Number 12375-ZA1-000
Description GASKET, TAPPET COVER
Serial Range 1213315 - 9999999
Ref No 13
Part Number 15611-921-000
Description CAP, OIL (YELLOW)
Serial Range 1213315 - 9999999
Qty
Price $23.48
Add To Cart
Ref No 14
Part Number 15632-890-010
Description PIPE, OIL (NOT AVAILABLE)
Serial Range 1088150 - 9999999
Ref No 15
Part Number 16279-880-000
Description COVER, THERMOSTAT SWITCH
Serial Range 1088150 - 9999999
Ref No 16
Part Number 16500-880-023
Description SWITCH ASSY., THERMOSTAT (NOT AVAILABLE)
Serial Range 1000001 - 9999999
Ref No 17
Part Number 16501-880-000
Description BOSS, THERMO SWITCH (NOT AVAILABLE)
Serial Range 1000001 - 9999999
Ref No 18
Part Number 16502-880-000
Description WASHER, SWITCH BOSS
Serial Range 1000001 - 9999999
Qty
Price $11.58
Add To Cart
Ref No 19
Part Number 80102-323-000
Description GROMMET, WIRE CORD (NOT AVAILABLE)
Serial Range 1000001 - 9999999
Ref No 20
Part Number 90042-890-010
Description BOLT, STUD (8X110)
Serial Range 1000001 - 1091034
Qty
Price $17.96
Add To Cart
Ref No 20
Part Number 90042-890-680
Description BOLT, STUD (8X104)
Serial Range 1091035 - 9999999
Qty
Price $18.28
Add To Cart
Ref No 21
Part Number 90047-883-000
Description BOLT, STUD (8X35)
Serial Range 1091035 - 9999999
Qty
Price $14.86
Add To Cart
Ref No 22
Part Number 90131-896-650
Description BOLT, DRAIN PLUG (12X15)
Serial Range 1000001 - 9999999
Ref No 23
Part Number 91201-890-003
Description OIL SEAL (30X46X8)
Serial Range 1000001 - 9999999
Qty
Price $21.30
Add To Cart
Ref No 24
Part Number 91301-805-000
Description O-RING (26X2.7)
Serial Range 1000001 - 9999999
Qty
Price $14.86
Add To Cart
Ref No 25
Part Number 90045-890-000
Description BOLT, STUD (10X70)
Serial Range 1297698 - 9999999
Qty
Price $17.30
Add To Cart
Ref No 25
Part Number 92900-10040-0B
Description BOLT, STUD (10X40)
Serial Range 1269742 - 1297697
Qty
Price $20.66
Add To Cart
Ref No 26
Part Number 94050-10000
Description NUT, FLANGE (10MM)
Serial Range 1269742 - 1297697
Qty
Price $11.94
Add To Cart
Ref No 26
Part Number 94050-10080
Description NUT, FLANGE (10MM)
Serial Range 1297698 - 9999999
Qty
Price $14.74
Add To Cart
Ref No 27
Part Number 90401-437-000
Description WASHER, PLAIN (10MM)
Serial Range 1297698 - 9999999
Ref No 27
Part Number 94102-10000
Description WASHER, PLAIN (10MM)
Serial Range 1269742 - 1297697
Qty
Price $0.92
Add To Cart
Ref No 28
Part Number 94109-12000
Description WASHER, DRAIN PLUG (12MM)
Serial Range 1269742 - 9999999
Qty
Price $11.50
Add To Cart
Ref No 29
Part Number 94301-08140
Description PIN, DOWEL (8X14)
Serial Range 1000001 - 9999999
Qty
Price $12.74
Add To Cart
Ref No 30
Part Number 95701-06012-08
Description BOLT, FLANGE (6X12)
Serial Range 1000001 - 9999999
Qty
Price $12.04
Add To Cart
Ref No 31
Part Number 95700-06025-08
Description BOLT, FLANGE (6X25)
Serial Range 1000001 - 9999999
Qty
Price $12.20
Add To Cart
Ref No 31
Part Number 95701-06025-08
Description BOLT, FLANGE (6X25)
Serial Range 1000001 - 9999999
Qty
Price $12.20
Add To Cart
Ref No 32
Part Number 95730-10055-08
Description BOLT, FLANGE (10X55)
Serial Range 1000001 - 9999999
Qty
Price $12.60
Add To Cart
Ref No 33
Part Number 98076-54914
Description SPARK PLUG (BPR-4HS-10) (NGK)
Serial Range 1269742 - 9999999
Ref No 33
Part Number 98076-54917
Description SPARK PLUG (BPR4HS-10)
Serial Range 1269742 - 9999999
Qty
Price $12.46
Add To Cart
Ref No 33
Part Number 98076-54954
Description SPARK PLUG (W14FPR-UL10) (DENSO)
Serial Range 1000001 - 9999999
Qty
Price $13.16
Add To Cart