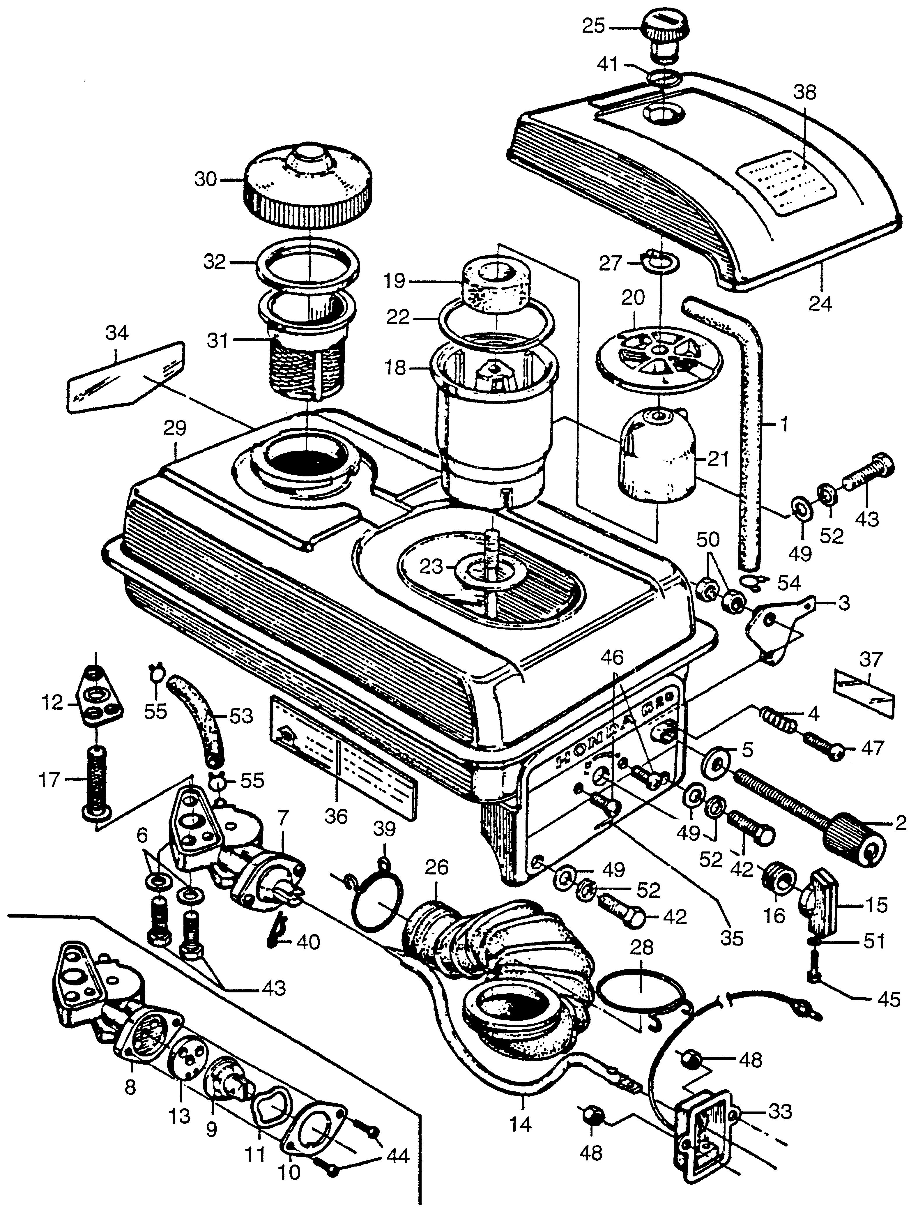
Ref No
Part Number
Description
Serial Range
Qty
Price
Ref No 1
Part Number 11205-844-010
Description PIPE, BREATHER (NOT AVAILABLE)
Serial Range 1000001 - 9999999
Ref No 2
Part Number 16570-844-000
Description SHAFT, CONTROL (NOT AVAILABLE)
Serial Range 1000001 - 9999999
Ref No 3
Part Number 16572-844-300
Description GUIDE, CONTROL (NOT AVAILABLE)
Serial Range 1000001 - 9999999
Ref No 4
Part Number 16575-844-000
Description SPRING, STOPPER (NOT AVAILABLE)
Serial Range 1000001 - 9999999
Ref No 5
Part Number 16576-844-000
Description RUBBER, FRICTION (NOT AVAILABLE)
Serial Range 1000001 - 9999999
Ref No 6
Part Number 16913-703-000
Description GASKET, STRAINER SETTING (NOT AVAILABLE)
Serial Range 1000001 - 2025998
Ref No 6
Part Number 90445-700-000
Description GASKET, FIBER (6MM)
Serial Range 2025999 - 9999999
Ref No 7
Part Number 16950-844-005
Description PETCOCK ASSY. (NOT AVAILABLE)
Serial Range 2025999 - 9999999
Ref No 8
Part Number 16951-816-004
Description BODY, PETCOCK (NOT AVAILABLE)
Serial Range 1000001 - 9999999
Ref No 9
Part Number 16952-844-004
Description LEVER, VALVE (NOT AVAILABLE)
Serial Range 1000001 - 9999999
Ref No 10
Part Number 16954-816-004
Description HOLDER, LEVER (NOT AVAILABLE)
Serial Range 1000001 - 9999999
Ref No 11
Part Number 16955-816-004
Description SPRING, PETCOCK LEVER (NOT AVAILABLE)
Serial Range 1000001 - 9999999
Ref No 12
Part Number 16957-816-004
Description GASKET, FLANGE (NOT AVAILABLE)
Serial Range 1000001 - 9999999
Ref No 13
Part Number 16960-812-004
Description GASKET, VALVE
Serial Range 1000001 - 9999999
Qty
Price $16.12
Add To Cart
Ref No 14
Part Number 16961-844-010
Description SHAFT, PETCOCK
Serial Range 1000001 - 9999999
Ref No 15
Part Number 16962-816-020
Description KNOB, PETCOCK (NOT AVAILABLE)
Serial Range 1000001 - 9999999
Ref No 16
Part Number 16963-844-000
Description GROMMET, PETCOCK SHAFT (NOT AVAILABLE)
Serial Range 1000001 - 9999999
Ref No 17
Part Number 16981-836-700
Description FILTER, CHECK (NOT AVAILABLE)
Serial Range 1000001 - 9999999
Ref No 18
Part Number 17210-844-000
Description PAN, AIR CLEANER OIL
Serial Range 1000001 - 9999999
Ref No 19
Part Number 17211-844-000
Description ELEMENT, AIR CLEANER (NOT AVAILABLE)
Serial Range 1000001 - 9999999
Ref No 20
Part Number 17212-844-000
Description SEPARATOR A (NOT AVAILABLE)
Serial Range 1000001 - 9999999
Ref No 21
Part Number 17213-844-000
Description SEPARATOR B
Serial Range 1000001 - 9999999
Ref No 22
Part Number 17215-844-000
Description GASKET A, CLEANER (NOT AVAILABLE)
Serial Range 1000001 - 9999999
Ref No 23
Part Number 17216-844-000
Description GASKET B, CLEANER (NOT AVAILABLE)
Serial Range 1000001 - 9999999
Ref No 24
Part Number 17230-844-000XC
Description COVER, AIR CLEANER *NH31* (MCKINLEY WHITE) (NOT AVAILABLE)
Serial Range 1000001 - 9999999
Ref No 25
Part Number 17235-844-000
Description NUT, CLEANER CAP
Serial Range 1000001 - 9999999
Ref No 25
Part Number 17235-844-650
Description NUT, CLEANER CAP (NOT AVAILABLE)
Serial Range 1000001 - 9999999
Ref No 26
Part Number 17240-844-000
Description TUBE, CONNECTING (NOT AVAILABLE)
Serial Range 1000001 - 9999999
Ref No 27
Part Number 17248-844-000
Description CLIP, CLEANER (NOT AVAILABLE)
Serial Range 1000001 - 9999999
Ref No 28
Part Number 17246-844-000
Description CIRCLIP (42MM) (NOT AVAILABLE)
Serial Range 1000001 - 9999999
Ref No 29
Part Number 17500-844-660XC
Description TANK, FUEL *NH31* (MCKINLEY WHITE) (NOT AVAILABLE)
Serial Range 1000001 - 9999999
Ref No 30
Part Number 17650-808-000
Description CAP, FUEL TANK (NOT AVAILABLE)
Serial Range 1000001 - 9999999
Ref No 31
Part Number 17672-703-020
Description FILTER, FUEL (NOT AVAILABLE)
Serial Range 1000001 - 9999999
Ref No 32
Part Number 17673-703-030
Description GASKET, FUEL FILTER (NOT AVAILABLE)
Serial Range 1000001 - 9999999
Ref No 33
Part Number 36100-844-035
Description SWITCH ASSY., ENGINE
Serial Range 1000001 - 9999999
Ref No 33
Part Number 36100-844-650
Description SWITCH ASSY., ENGINE (NOT AVAILABLE)
Serial Range 1000001 - 9999999
Ref No 34
Part Number 87101-805-000
Description EMBLEM
Serial Range 1000001 - 9999999
Ref No 35
Part Number 87111-844-671
Description PLATE, CAUTION (NOT AVAILABLE)
Serial Range 1000001 - 9999999
Ref No 36
Part Number 87522-836-670
Description MARK A, CAUTION (NOT AVAILABLE)
Serial Range 1000001 - 9999999
Ref No 38
Part Number 87535-844-660
Description PLATE, CAUTION (NOT AVAILABLE)
Serial Range 1000001 - 9999999
Ref No 39
Part Number 90653-689-000
Description CIRCLIP (34MM)
Serial Range 1000001 - 9999999
Ref No 41
Part Number 91304-216-000
Description O-RING (11.5X2)
Serial Range 1000001 - 9999999
Qty
Price $12.58
Add To Cart
Ref No 42
Part Number 92101-06016-0A
Description BOLT, HEX. (6X16)
Serial Range 1000001 - 9999999
Qty
Price $11.78
Add To Cart
Ref No 43
Part Number 92101-06020-0A
Description BOLT, HEX. (6X20)
Serial Range 1000001 - 9999999
Ref No 44
Part Number 93500-03006-0A
Description SCREW, PAN (3X6)
Serial Range 1000001 - 9999999
Qty
Price $11.10
Add To Cart
Ref No 45
Part Number 93500-03019-0A
Description SCREW, PAN (3X19) (NOT AVAILABLE)
Serial Range 1000001 - 9999999
Ref No 46
Part Number 93500-04008-0A
Description SCREW, PAN (4X8)
Serial Range 1000001 - 9999999
Qty
Price $11.06
Add To Cart
Ref No 47
Part Number 93500-04012-0A
Description SCREW, PAN (4X12)
Serial Range 1000001 - 9999999
Qty
Price $11.00
Add To Cart
Ref No 48
Part Number 94001-04000-0S
Description NUT, HEX. (4MM)
Serial Range 1000001 - 9999999
Qty
Price $11.26
Add To Cart
Ref No 49
Part Number 94101-06800
Description WASHER, PLAIN (6MM)
Serial Range 1000001 - 9999999
Qty
Price $0.80
Add To Cart
Ref No 50
Part Number 94002-06000-0S
Description NUT, HEX. (6MM)
Serial Range 1000001 - 9999999
Qty
Price $11.60
Add To Cart
Ref No 51
Part Number 94111-03000
Description WASHER, SPRING (3MM)
Serial Range 1000001 - 9999999
Qty
Price $11.14
Add To Cart
Ref No 52
Part Number 94111-06000
Description WASHER, SPRING (6MM)
Serial Range 1000001 - 9999999
Qty
Price $11.14
Add To Cart
Ref No 53
Part Number 95001-45003-60M
Description BULK HOSE, FUEL (4.5X3000) (4.5)
Serial Range 1000001 - 1122000
Qty
Price $51.76
Add To Cart
Ref No 54
Part Number 95002-02120
Description CLIP, TUBE (B12)
Serial Range 1122001 - 9999999
Qty
Price $12.44
Add To Cart
Ref No 55
Part Number 95002-02080
Description CLIP, TUBE (B8)
Serial Range 1122001 - 9999999
Qty
Price $12.20
Add To Cart